Доска объявлений

ДОСКА ОБЪЯВЛЕНИЙ

Подать Объявление Мои Объявления Поиск Объявления

Оборудование, производство / Производства / Металлообработка / Изготавливают

Вернуться к списку объявлений
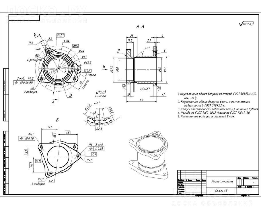
Инженер-конструктор 1 категории, со стажем более 20 лет, профессионально разработает любую конструкторскую документацию для запуска изделий в производство или других нужд заказчика: эскизные, технические проекты, чертежи деталей, схемы, технические условия и задания, инструкции, таблицы, планировки цехов, трехмерные модели для 3D-принтера и других направлений, а также выполню обмерные работы (реверс-инжениринг) любых деталей и механизмов, в программах "SolidWorks", "AutoCad". Выполню графическую часть дипломных, курсовых и любых других работ, для студентов технических вузов. Переведу чертежи любого профиля с бумажных носителей на компьютер (оцифровка), с выявлением ошибок по ГОСТ (ЕСКД). Экспорт чертежей и трехмерных моделей (векторизация), в различные форматы (. pdf, .jpeg, .dwg, .step, .stl, .bin и прочие. ).

Фото:
Оборудование, производство,  Производства Металлообработка, Фото
Оборудование, производство,  Производства Металлообработка, Фото
Оборудование, производство,  Производства Металлообработка, Фото
Оборудование, производство,  Производства Металлообработка, Фото
Оборудование, производство,  Производства Металлообработка, Фото
Оборудование, производство,  Производства Металлообработка, Фото
Оборудование, производство,  Производства Металлообработка, Фото
Оборудование, производство,  Производства Металлообработка, Фото
Оборудование, производство,  Производства Металлообработка, Фото
Оборудование, производство,  Производства Металлообработка, Фото
Телефон: +7(965)29-8-*** Показать номер Все объявления с этим телефоном
Тел. моб.: 7(901)77-6-*** Показать номер Все объявления с этим телефоном
E-mail: Отправить e-mailВсе объявления с этим E-mail адресом
Место:Москва, Лермонтовский проспект

Распечатать
Отослать другу Дата: 28.04.2026 12:48
Напомнить Сообщить о нарушении
Доска Объявлений ©DOSKA.ru 2008 | Куки-файлы |  Вопросы по размещению объявления | Правила объявлений | Сотрудничество | RSS